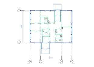
В составе проекта:
- ветеринарный пункт
- АБК
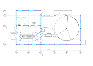
- навес для техники
- навес для сена и соломы №1,2
- проходная с санпропускником
- навес для комбикорма
- дезбарьер
- автовесовая
- силосные траншеи
- пожарный резервуар
Обратите внимание: каждый проект необходимо адаптировать под конкретные условия. Это касается как снегового и ветрового районов, так и особенностей местности.
Есть возможность покупки части проекта, которая вас интересует.
Хотите узнать больше? Оставьте заявку или напишите на почту: vmx@sovmolko.ru
Специалисты ГК СОВМОЛКО готовы помочь вам в кратчайшие сроки.
Объекты реконструкции фермы мясного направления
В наличии
Год проектирования - 2017
250 000
Заказать товар
Задать вопрос
Заказать товар
Оставьте заявку на сайте, и мы свяжемся с вами в ближайшее время.
